
绝缘材料是重要的工业基础材料,其电气性能和寿命对电气设备的性能、寿命和安全运行具有重要的影响。电寿命是电工绝缘材料和电气设备绝缘结构的一个重要参数,当前变频驱动等PW M技术的应用使高压变频电机等设备处于连续高压脉冲环境,出现还远未到其设计寿命而异常损坏的现象,绝缘过早失效是其主要原因。
以往主要针对直流和工频正弦交流电应用场合研制的绝缘寿命评估方法和试验设备已不能完全适应脉冲应用环境下的绝缘寿命评估一。脉冲电应力环境下绝缘材料和绝缘结构加速老化寿命实验评估与测试需要高性能的对称双极性高压方波脉冲电源,要求用于试验评估的多套脉冲电源脉冲参数一致、准确、稳定,以便获得准确可靠的寿命评估结果,以往的高压功率脉冲电源为其它应用而设计,难以完全满足绝缘材料尤其是绝缘结构加速老化寿命评估试验的需要。本文介绍一种由多个lkV对称双极性方波脉冲级联的8kV对称方波高压脉冲电源的实现方法,它具有脉冲波形好,可灵活选择所需要的脉冲电压幅值的特点。

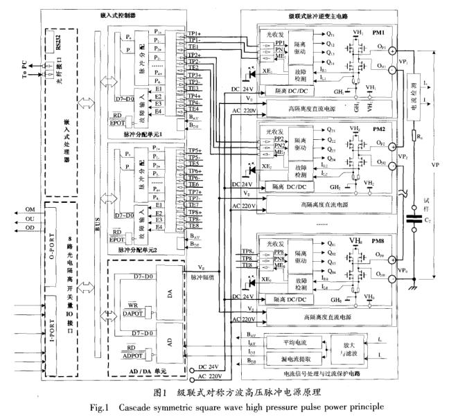
级联式对称方波高压脉冲电源硬件通过H桥逆变电路可以将直流逆变为双极性对称方波脉冲。由于高速功率晶体管的耐压限制,当前还难以利用常规的桥式逆变电路直接产生所需要的脉冲电压。有三种方法获得所需要的脉冲高电压:

第一是利用功率晶体管串联提高耐压,但这些串联的功率晶体管需要采取措施实现动态均压,造成电路复杂,控制难度大,且影响输出脉冲的空载上升/下降时间;
第二是利用脉冲变压器升压,该方法电路简单,但脉冲变压器使输脉冲前后沿变差,且难以满足脉频率大范围可调的要求;
第三是利用同步运行的,个对称方波逆变桥模块级联获得所需要的高压脉冲,该方法具有波形好、灵活的特点,但要求每个级联的逆变桥模块都有一个高隔离度直流电源,且各逆变桥需要在同步信号控制下同步工作。由于逆变桥级联方式可以通过改变级联模块数量灵活选择最高脉冲幅值、波形对称性等特点,本系统采用该方法。http://www.zhenghangsy.com